


第二部分:通用技术
一、选择题(本大题共12小题,每小题2分,共24分。每小题列出的四个备选项中只有一个是符合题目要求的,不选、多选、错选均不得分)
16.2025年,我国首条设计时速350公里的全自动无人驾驶高铁——京雄城际铁路正式投入运营。下列关于该高铁的分析中不恰当的是
A. 融合了北斗导航、环境感知、智能决策等多项前沿技术,体现了技术的综合性
B. 采用了我国自主研发的“CTCS-4级别控系统”,体现了技术的专利性
C. 能在复杂条件下实现高速、准时、安全的“一站式”智能运输,体现了技术的目的性
D. 完善了高铁网络,促进了区域经济一体化发展,体现了技术的社会价值
【答案】B
17.如图所示为一款智能助听眼镜,集成微型麦克风阵列、AI降噪芯片和骨传导发声单元,可实时增强语音信号并过滤环境噪声,帮助听障人士在嘈杂环境中清晰交流。下列关于该眼镜的分析中,说法不恰当的是

A. 采用骨传导技术避免耳道堵塞,长时间佩戴无不适感,符合人机关系的舒适目标
B. 智能眼镜形态克服了传统助听器的“病耻感”,更易被用户接受,主要考虑人的心理需求
C. 镜腿采用碳纤维材质减轻重量,主要体现了设计的美观原则
D. 产品通过国家医疗器械认证并符合ISO13485标准,体现了设计的技术规范原则
【答案】C
18.小明设计了如图所示的旋转开合机构,该机构由框架、开合叶片和盖板组成,要求盖板旋转90° ,叶片刚好打开或闭合一次,下列四种盖板的设计方案中,合理的是


【答案】D
19.下列三视图中,左视图不符合投影关系的是

【答案】C
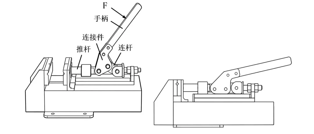
20.如图a所示的方管夹持机构,在力F的作用下,手柄通过连接件、连杆,带动推杆前推,将方管夹紧,完全夹紧时如图b所示。在图a状态下,下列对构件主要受力形式分析中正确的是

A. 手柄受弯曲,连杆受压,推杆受压和受弯曲
B. 手柄受弯曲,连杆受拉,推杆受压和受弯曲
C. 连接件受弯曲,连杆受压,推杆受弯曲
D. 连接件受弯曲,连杆受拉,推杆受弯曲
【答案】A
如图所示是第20题中的连接件,小明在通用技术实践课上用大小合适的钢板加工该零件。请根据题图完成21-22题。

21.下列操作中,合理的是
A. 划线时,先用样冲在钻孔中心处划出十字,再冲眼
B. 锯割时,推锯拉锯均匀加压,锯程要长
C. 钻孔时,需用台虎钳夹紧工件,不能戴手套
D. 锉削外圆弧时,锉刀做前后锉削运动的同时做弧形摆动
【答案】D
22.下列加工流程中,合理的是
A. 划线→锯割→钻孔→锉削→弯折→划线→钻孔
B. 划线→钻孔→锯割→锉削→弯折→划线→钻孔
C. 划线→锯割→钻孔→锉削→弯折
D. 划线→钻孔→锯割→锉削→弯折
【答案】B
如图所示是一种零件检测包装控制系统,包含零件剔除子系统和零件包装子系统。其工作过程是:传送带输送零件时,上方的相机对零件进行图像采集,将图像信息传输至FPGA模块,FPGA对图像进行分析判别,确定零件是否符合要求;若FPGA判别零件为次品,控制剔除装置将零件推入下方的回收箱;若为合格品,传送带继续将其输送至包装工位,由包装设备完成包装。请完成第23-24题。

23.下列关于该检测包装控制系统的分析中,不恰当的是
A. 为了提高零件检测包装效率,传送带的速度越快越好
B. 图像识别算法精度是检测准确率优化的影响因素
C. 该系统可分为检测、剔除、输送和包装子系统,各个子系统相互配合,协同工作
D. 从系统分析的科学性原则出发,设计系统时通过试验获得相关参数后计算确定系统处理速度
【答案】A
24.下列关于零件剔除子系统的分析中,恰当的是
A. 控制量是FPGA发出的信号
B. 控制器是剔除装置
C. 被控对象是零件
D. 相机起反馈作用
【答案】C
25.通用技术实践课上,小明用多用电表的合适电阻挡检测不同元器件。下列判断中,正确的是

B. 用指针式多用电表检测元件②,红表笔接 b 点,黑表笔分别接 a 点、c 点,指针偏转角大,调换红黑表笔后,指针不偏转,说明元件②是 PNP 型三极管
C. 用数字式多用电表检测元件③,红表笔接 a 点,黑表笔接 b 点,测得阻值很小,说明元件③是好的
D. 用数字式多用电表检测元件④,红表笔接 a 点,黑表笔接 c 点,转动旋钮,测得阻值不变,说明元件④损坏
【答案】B
26.如图所示的信号处理电路,A、B 为输入信号,F 为输出信号。下列波形关系中可能出现的是


【答案】A
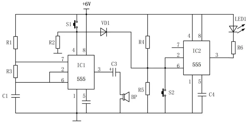
27.小明设计了如图所示的门铃电路。该门铃具有记忆功能:当有人按过门铃后(按下 S1),若家中无人,发光二极管 LED1 保持长时间发光;主人回家后按下复位开关 S2,LED1 才熄灭,以此提示有客人来访。下列分析中不正确的是

A. 使用时,S1应装大门上,S2应装在室内
B.R4、R5可选用阻值相同的电阻
C.IC2的3脚损坏可用7脚替代
D.为延长门铃发声时间,可将电容C1换成容量更大的电容
【答案】D
二、非选择题(本大题共3小题,第28小题8分,第29小题10分,第30小题8分,共26分。各小题中的“▲”处填写合适选项的字母编号)
28.小明在非遗展上看到如图所示的传统走马灯。传统走马灯通过底座支架固定,内部烛火加热空气驱动叶轮旋转,带动灯壁上的图案转动呈现动态画面。小明准备设计一款适配现代家居场景、兼具观赏性与实用性的电动新型走马灯,请完成以下任务:

(1)小明从设计的一般原则角度进行了思考,不合理的是(单选)▲;
A. 从可持续发展原则出发,选用低功耗LED替代传统烛火照明,减少能源消耗与安全隐患
B. 从经济原则出发,选用回收塑料一次注塑成型灯体,并合理简化内部传动结构
C. 从实用原则出发,将走马灯工作电压提高至家庭电路电压的1.5倍,增强视觉效果
(2)小明观察到吊扇旋转时能带动空气流动,由此想到可优化走马灯叶轮结构,提升旋转稳定性与静音效果。采用的构思方法属于(单选)▲;
A. 仿生法
B. 联想法
C. 形态分析法
D. 设问法
(3)小明对新型走马灯本体进行的设计分析中,合理的是(多选)▲;
A. 底座重量需适配灯体高度,避免走马灯倾倒,保证使用安全性
B. 灯壁材质选择透光性好的薄纱材质,同时兼顾防刮擦性能,延长使用寿命
C. 为简化结构,取消叶轮转速调节功能和电机散热结构设计
(4)小明打算设计电机驱动的新型走马灯叶轮结构,需满足两个要求:①气流噪声 ≤35dB(家居环境标准);②叶片离心力越小,强度越容易达标(离心力F=mω2 r,其中m为叶片质量,ω为叶片转动角速度,r为叶片重心半径)。下列四种叶片设计方案中,最优方案是(单选)▲。
方案 | 叶片材质 | 叶片重心半径 | 叶片质量 | 气流噪声 |
A | 亚克力 | 60mm | 15g | 32dB |
B | ABS塑料 | 55mm | 12g | 33dB |
C | 铝合金 | 65mm | 20g | 30dB |
D | 竹材 | 50mm | 10g | 36dB |
【答案】(1)C(2)B(3)AB(4)B
29.为满足临街商铺在雨天扩展营业空间的需求,小明计划设计一款手摇式伸缩雨棚架。如图a所示,雨棚布已固定在雨棚杆上,通过杆的运动实现雨棚展开和收缩。手摇柄如图b所示,人体站立作业时手部高度约为1m∼1.2m,如图c所示。依据《城市容貌标准》(GB50449-2008),要求临街建筑物雨篷安装处离地高度不低于2.4米,伸出宽度不超过1.5米。请你帮助小明设计该雨棚架,设计要求如下:

(a)装置能带动雨棚杆展开和收缩,收起时紧贴店铺外墙;
(b)展开和收起过程平稳可靠,且在任何展开位置都可能靠锁定,防止风力吹回;
(c)雨棚安装在门窗框上方,采用手摇柄驱动,手摇柄安装位置合理;
请完成以下任务:
(1)画出最优方案的设计草图(对称装置只需绘制一侧);
(2)在草图上标注主要尺寸;
(3)装置安装后,需要进行相关的技术试验。以下试验中不必要的是(单选)▲
A. 摇动手摇柄,观察装置能否带动雨棚布展开和收缩
B. 摇动手摇柄,观察装置运行是否平稳可靠
C. 展开雨棚至任意位置,用适当的力推拉雨棚架,观察雨棚架有无明显回缩趋势
D. 在模拟中雨降雨量下,摇动手摇柄将雨棚完全展开,观察棚布是否渗漏
【答案】(1)① 装置能连接雨棚杆,且能带动雨棚杆展开和收缩 2 分;
② 展开和收起过程平稳可靠,且在任何展开位置都能可靠锁定 2 分;
③ 采用手摇柄驱动,手摇柄安装位置合理 2 分
(2)尺寸部分(2 分):至少标出 2 处,标 1 处仅得 1 分
①手柄传动杆至少 1m
②雨棚展开尺寸小于 1.5m
③其余合理尺寸
(3)D
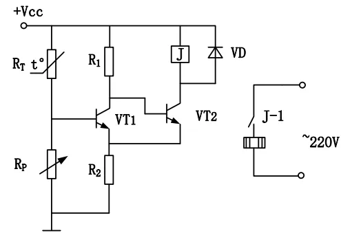
30.小明设计了如图所示的蔬菜大棚温度控制电路,热敏电阻RT检测大棚内的温度,温度低于下限时继电器吸合开始加热,温度高于上限时继电器释放停止加热。电路中的三极管均工作在开关状态。请完成下列各题。

(1)热敏电阻RT应选择(单选)▲
A.NTC
B.PTC
(2)小明想把下限温度调高,上限温度基本不变,合理的调节措施是(单选)▲
A. 适当增加R1的阻值
B. 适当减小R1的阻值
C. 适当增加R2的阻值
D. 适当减小R2的阻值
(3)在实践过程中,小明发现一个三极管损坏,于是用比较器重新设计电路,实现温度的区间控制。请在虚线框1中连接给定的元器件,将电路补充完整;

(4)小明打算在题(3)的基础上,为电路增加指示功能,当继电器吸合加热时,发光二极管闪烁。请在虚线框2中连接给定的元器件,将电路补充完整:

【答案】(1)A(2)B
(3)

(4)


通用技术易考通系列资料:
《易考通选考宝典(新教材版)》是选考知识点为主,考前冲刺必备宝典。
《易考通草图设计(新教材版)》是草图案例为主,拓展思维。
《易考通草图刷题含解析(新教材版)》是草图练习题为主,图文详解。
《易考通三视图(新教材版)》是三视图选择题原理方法讲解和配套练习题为主,配答案和立体图。
《易考通基础刷题含解析(新教材版)》是按照通用技术选考试卷题型考点编写的必修一、必修二的练习题和详解,建议一轮使用。
《易考通电控刷题含解析(新教材版)》是按照通用技术选考试卷题型考点编写的选修电子控制技术的练习题和详解,建议一轮使用。
《易考通基础拉分练含解析(新教材版)》是按照通用技术选考试卷题型高频考点编写的必修一、必修二的练习题和详解,建议二轮使用。
《易考通电控拉分练含解析(新教材版)》是按照通用技术选考试卷题型高频考点编写的选修电子控制技术的练习题和详解,建议二轮使用。
《易考通真题精练(新教材版)》是按照通用技术选考真题编写的考点式刷题资料,每题配详解,建议考前使用。
一轮刷题资料:
《易考通基础刷题(新教材版)含解析》、《易考通草图刷题(新教材版)含解析》和《三视图(新教材版)》
二轮刷题资料:
《易考通电控拉分练(新教材版)含解析》和《易考通基础拉分练含解析》

