


第二部分 通用技术(50分)
一、选择题(本大题共12小题,每小题2分,共24分。每小题列出的四个备选项中只有一个是符合题目要求的,不选、多选、错选均不得分)
16.如图所示的磁悬浮花盆,利用磁悬浮平衡技术实现盆栽悬浮旋转,暗藏的蓄水池能自动调节土壤湿度,下列说法中不恰当的是()

A.运用了电磁学、控制工程学等知识,体现了技术的综合性
B.花盆可适配不同重量的盆栽,体现了技术的复杂性
C.通过不断试验优化磁场参数实现稳定悬浮,体现了技术的实践性
D.小型化磁控技术为花盆设计提供支撑,体现了技术是设计的基础
【答案】B
17.如图所示的防噬仪,以下分析与评价中不恰当的是()

A.配置多款不同大小的气囊面罩,主要是从“物”的角度考虑
B.一键触发即可完成抽吸过程,实现了人机关系的高效目标
C.压舌管采用医用级硅胶制作,实现了人机关系的健康目标
D.主机身尺寸大小合适,便于单手握持,主要考虑了人的静态尺寸
【答案】A
如图所示的简易切断装置:按图示方向转动转盘时,转盘同步带动圆柱销运动,通过圆柱销驱动U形滑块沿刀片夹臂上的导向槽前后滑动,进而牵引刀片夹臂开合,最终完成对物体的切割操作,请完成第18- 19题。

18.下列刀片夹臂的导向槽设计方案中合理的是()
【答案】C
19.在物体被刀片切断时,下列对各个构件主要受力形式分析中正确的是()
A.圆柱销受弯曲、滑杆受拉、刀片受压
B.圆柱销受剪切、滑杆受压、刀片受剪切
C.圆柱销受剪切、刀片夹臂受弯曲、刀片受压
D.圆柱销受弯曲、刀片夹臂受压、刀片受剪切
【答案】C
20.小明在通用技术实践室用厚度10mm的钢块和Φ15mm的圆钢分别制作如图所示的装配件和连杆,下列说法不合理的是()

A. 钢块划线时,先划对称线和中心线,再划轮廓线
B. 加工装配件中间圆弧形槽时,应先钻孔再锯割,最后锉削
C. 在平口钳上夹紧钢块,戴上防护眼镜,进行钻孔
D. 加工连杆流程:划线 → 钻孔 → 锯割 → 锉削
【答案】D
如图a所示的暗燕尾样板接结构,构件1的结构如图b所示,请完成第21- 22题。

21.小明用大小合适的实木块加工图b所示构件,下列说法合理的是()
A. 画线中需要用到的工具有木工铅笔、钢直尺、画线规
B. 为保证精度,燕尾槽的轮廓线画得越粗越好
C. 构件1的加工可通过凿削后再修整完成
D. 为提高美观度,对构件1表面进行电镀处理
【答案】C
22.下列关于构件2(如图c)的三视图,符合投影规律的是()
【答案】A
如图所示是一次性毛巾加工系统,由刀锯剪裁、毛巾折叠等子系统构成。其工作过程是:控制器将长度传感器采集的毛巾实时长度与预设长度进行比较,当长度达到设定值,控制器立即向电机发送指令,传送带随即停止运转,刀锯同步启动剪裁作业;剪裁完成后,传送带将裁切好的毛巾输送至折叠机构,最终完成折叠工序。请根据题图及其描述完成第23- 24题。

23.下列从系统角度进行的分析中,不恰当的是()
A.传送带松弛会影响整个系统的运行,需要定期对其张紧度进行调整
B.传送带停顿的时间要与刀锯的剪裁速度相匹配,体现了系统的相关性
C.电机的性能是影响该系统优化的因素
D.切断不同厚度的毛巾要选用不同型号的刀锯,体现了系统的环境适应性
【答案】D
24.下列关于刀锯剪裁控制子系统的说法,正确的是()
A.被控对象是刀锯
B.输出量是毛巾的长度
C.长度传感器起反馈作用
D.执行器是折叠机构
【答案】B
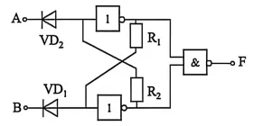
如图所示的信号处理电路中,A、B为输入信号,F为输出信号。请完成第25- 26题。

25.小明准备用面包板搭建如图所示的信号处理电路,在电路探究的过程中,下列不需要用到的是()
【答案】A
26.下列输出波形与输入波形关系中正确的是()
【答案】B
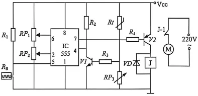
27.如图所示是小明设计的苗圃浇灌控制电路,当温度低于设定值且湿度低于下限时水泵M喷水,已知Rt为负温度系数热敏电阻。下列分析中不正确的是()

A.当温度高于设定值时M仍在工作,可能是R4太大
B.继电器频繁吸合,可能原因是Rp1短路
C.减小R3,可以降低温度的设定值
D.将RP2滑动触点下移,湿度控制区间会变大
【答案】D
二、综合题(本大题共3小题,第28小题8分,第29小题10分,第30小题8分,共26分。在各小题中的“▲”处填写合适选项的字母编号)
28.小明发现传统的苹果采摘装置存在采摘耗时长、效率低等问题,于是想设计一款气吸式苹果采摘机(如图a所示),实现采摘-输送-收集一体化功能,请完成以下任务:

(1)关于该气吸式苹果采摘机的设计,下列说法不正确的是(单选) ▲
A.能采摘大小不同的苹果,符合设计的实用原则
B.收集管道采用伸缩柔性材料,符合设计的技术规范原则
C.替代人工采摘,体现了技术具有解放人的作用
D.移动平台采用模块化设计,降低维修成本,符合设计的经济原则
(2)苹果沿收集管道进入跟随收集平台时,因高度差大易受冲击造成损伤,下列设计的缓冲方案中不合理的是(单选) ▲;

A. 反复测试不同柔性材料的缓冲变形量,以确保试验结果客观、可靠
B. 先保证采摘精度与果实无损目标,再考虑收集箱扩容成本
C. 优化跟随收集平台定位算法,无需考虑机械臂运动的协同性
D. 兼顾采摘效率、设备成本与操作安全性,避免单一目标优化失衡
(4)小明准备在收集平台上设计一个能自动将苹果箱从位置A移到位置B的装置,下列方案中,结构最合理的是(单选) ▲

A.识别扫描必须在确定位置之前,时序不可颠倒
B.机械臂移动与车身移动并行开展,可缩短整体移动时间
C.开始采摘前需完成机械臂到达和车身到达,体现流程的时序性
D.采摘工作流程的优化需建立在减少环节的基础上
【答案】(1)B (2)B (3)ABD (4)D
29.为实现将集中收纳的苹果箱搬运到分类平台上,小明计划设计一种将苹果箱从地面位置A处转运到分类平台位置B处(如图a所示)的搬运装置模型。已知图b手摇柄方头尺寸为12mm*12mm,图c为减速电机。请你帮助小明设计该装置机械部分,设计要求如下:

(a)装置能将苹果箱从位置A移到位置B;
(b) 在搬运过程中,装置运动平稳可靠,能自动锁定;
(c) 不可对苹果箱、分类平台进行加工处理;
(d)装置采用一个手摇柄或一个减速电机驱动;
(e) 其他所需材料和配件自选。
请完成以下任务:
(1)设计该装置时不需要考虑的是(单选) ▲:
A. 苹果箱的重量
B. 分类平台的材质
C. 驱动方式
D. 位置A、B的距离
(2)画出最优方案的设计草图;
(3)在设计草图上标注主要尺寸。
【答案】(1)B
(2)①苹果箱能从位置A移到位置B;②可靠连接平台或放置于地面;③可靠连接苹果箱;④具有自锁功能;⑤一个电机或一个把手驱动,只能选择一种驱动。
(3)匹配手摇柄方头尺寸(12mm×12mm)或减速电机轴尺寸(Φ10mm和6mm同时满足);抬升高度大于500mm或750mm≤水平移动距离≤900mm。
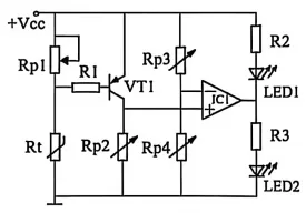
30.如图所示为小明设计的烙铁架温度指示电路。热敏电阻Rt安装在烙铁架上,当将工作中的电烙铁放到烙铁架上,温度上升达到设定值时LED1发光;当电烙铁离开烙铁架时LED2发光。请完成下列各题:

(1)热敏电阻Rt为(单选) ▲:
A. 正温度系数
B. 负温度系数
(2)测试电路时发现温度设定值过低,以下调节措施合理的是(多选) ▲:
A.RP1向下滑动
B.RP2调大
C.RP3调小
D.RP4调小
(3)测试电路时,发现PNP三极管VT1损坏,手头只有NPN型三极管。为保持电路原有功能,请在虚线框1中选择合适的元件将电路补充完整。

(4)小明在原电路的基础上增设了如下图所示的锡焊排烟电路。烙铁离开烙铁架焊接时,抽气扇M启动,工作一定时间后自动停止,完成一次排烟循环;在此排烟过程中,放回或取出电烙铁时抽气扇M仍保持工作。请你在虚线框2内选择合适的接线端连线,实现电路功能。

【答案】(1)A (2)BD
(3)

(4)

通用技术易考通系列资料:
《易考通选考宝典(新教材版)》是选考知识点为主,考前冲刺必备宝典。
《易考通草图设计(新教材版)》是草图案例为主,拓展思维。
《易考通草图刷题含解析(新教材版)》是草图练习题为主,图文详解。
《易考通三视图(新教材版)》是三视图选择题原理方法讲解和配套练习题为主,配答案和立体图。
《易考通基础刷题含解析(新教材版)》是按照通用技术选考试卷题型考点编写的必修一、必修二的练习题和详解,建议一轮使用。
《易考通电控刷题含解析(新教材版)》是按照通用技术选考试卷题型考点编写的选修电子控制技术的练习题和详解,建议一轮使用。
《易考通基础拉分练含解析(新教材版)》是按照通用技术选考试卷题型高频考点编写的必修一、必修二的练习题和详解,建议二轮使用。
《易考通电控拉分练含解析(新教材版)》是按照通用技术选考试卷题型高频考点编写的选修电子控制技术的练习题和详解,建议二轮使用。
《易考通真题精练(新教材版)》是按照通用技术选考真题编写的考点式刷题资料,每题配详解,建议考前使用。
一轮刷题资料:
《易考通基础刷题(新教材版)含解析》、《易考通草图刷题(新教材版)含解析》和《三视图(新教材版)》
二轮刷题资料:
《易考通电控拉分练(新教材版)含解析》和《易考通基础拉分练含解析》

