


第二部分通用技术
三、选择题(本大题共12小题,每小题2分,共24分。每小题列出的四个备选项中只有一个是符合题目要求的,不选、多选、错选均不得分)
1. 2026年,OpenClaw开源智能体框架爆火,它以极低的部署门槛实现了强大的个人助理功能。下列关于该技术的说法中,不恰当的是()

A. 该技术旨在让AI在你的电脑或服务器上执行具体任务,体现了技术的目的性
B. 通过优化产品封装实现技术突破,而非堆砌模型参数,体现了技术的创新性
C. 帮助用户节省了大量手动操作电脑的时间,主要体现了技术发展人的价值
D. 能替代部分重复的编程劳动,减轻了开发者的工作负担,体现了技术解放人的价值
【答案】C
2. 如图所示为某物流公司研发的智能配送无人机,下列说法中不恰当的是()

A. 界面图形化设计,便于理解与操作,体现了人机关系的高效目标
B. 降低无人机飞行时产生的噪音,体现了人机关系的安全目标
C. 采用可降解材料制造,遵循了设计的可持续发展原则
D. 大幅提升偏远地区物流效率,促进了社会生产的发展,改变了社会生活的方式
【答案】B
3. 图a是某三层工具箱的合拢状态,图b是该工具箱的打开状态。为了实现工具箱的可靠开合,需要在孔A、孔B、孔C间增加一条连接杆(另外一边结构相同)。下列连接杆中最合理的是()
【答案】B
4. 如图所示是某形体的主视图和左视图,相对应的俯视图可能是()

【答案】A
小明打算在通用技术实践室用实木板制作如图所示的方凳,请完成下面小题。

5. 下列操作中不符合木工操作要领的是()
A. 敲击凿子时,一手应紧握凿柄,不要让凿子左右摆动,以防锤子滑落伤手
B. 榫头长度长于榫眼深度,组装后去除榫头多余部分,可保证表面平整
C. 在榫头和榫眼的接触面涂抹木工胶,再进行装配,可提高连接强度
D. 组装完成后,用砂纸对表面进行打磨,打磨顺序为先用细砂纸后用粗砂纸
【答案】D
6. 凳子的加工及组装需要以下环节:①打磨及上漆;②组装凳腿与凳面;③凿削榫眼;④组装凳腿与横档;⑤制作榫头;⑥画线。下列加工及组装流程中最合理的是()
A. ①→⑥→③→⑤→②→④B. ⑤→③→⑥→④→②→①
C. ⑥→⑤→③→④→②→①D. ⑥→③→⑤→②→④→①
【答案】C
7. 如图所示是一夹紧装置,手柄带动凸轮转动,使两滑块移动夹紧工件。下列说法正确的是()

A. 手柄沿着箭头方向转动时,工件将被松开
B. 两滑块和底座之间都是铰连接
C. 工件被夹紧时,弹簧受压
D. 工件被夹紧时,连杆受压
【答案】C
如图所示为河道水位及流速控制系统,主要由水位控制子系统及流速控制子系统组成,其电力来源来自市政供电。雷达水位计向河面发射雷达波,通过测量雷达波往返时间差,结合安装高度,计算出河道水位高度;雷达流速计向河面发射雷达波,通过分析回波频率变化,计算出河道水流流速。当河道水位及流速与设定值存在较大偏差时,由控制箱控制闸门的开度,从而实现河道水位及流速的控制。请完成下面小题。

8. 下列从系统角度进行的分析中,不恰当的是()
A. 实现河道水位及流速的控制,体现了系统的目的性
B. 增加太阳能供电,是综合考虑周边环境、日晒条件等影响因素后实施的系统优化
C. 既要考虑水位及流速的控制效率,又要考虑成本,体现了系统分析的综合性原则
D. 通过调试及计算,确定水位计及流速计合理的安装高度,体现了系统分析的科学性原则
【答案】B
9. 下列从控制系统角度进行的分析中,恰当的是()
A. 河道堵塞导致水流减小,属于流速控制子系统的干扰因素
B. 流速控制子系统的被控对象是雷达流速计
C. 水位控制子系统的控制量是雷达波往返时间差
D. 水位控制子系统的输入量是河道实际水位
【答案】A
10. 下列元器件接入电路后,一定不能通过其引脚a输出模拟信号的是()

【答案】D
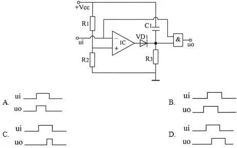
11. 如图所示的信号处理电路中,ui为输入信号(高电平为+Vcc,低电平为0V),uo为输出信号。下列输出波形与输入波形关系中可能的是()

【答案】A
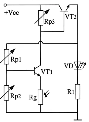
12. 如图所示为小明设计的光控灯电路,其中VT1、VT2始终导通,VT1、VT2参数相同。下列分析中错误的是()

A. 环境亮度降低时,VD变亮
B. VT1、VT2都处于放大状态
C. VD无法点亮,可能是Rp3偏小造成的
D. 可通过增大Rp1或减小Rp2使VD变亮
【答案】C
四、综合题(本大题共3小题,其中第28小题8分,第29小题10分,第30小题8分,共26分。各小题中“__________”处填写合适选项的字母编号)
13. 小明在景区游玩时,看到如图a所示的售货亭。该售货亭底部有六个支撑脚,各支撑脚分布如图b所示放置在户外。小明发现,遇到大风天气时,售货亭容易晃动,存在安全隐患。他决定对售货亭的底部支撑脚结构进行优化设计,请完成以下任务:

(1)小明发现该问题的途径是___________
A. 观察日常生活B. 收集和分析信息C. 技术研究与技术试验
(2)小明对售货亭底部支撑脚进行分析和设计,下列说法中正确的是___________
A. 去掉支撑脚3、6,底部支撑面将会变小
B. 支撑脚3、6的主要作用是提高结构的强度
C. 增加支撑脚高度,将提高售货亭结构的稳定性
D. 支撑脚1、2、4、5改成伸缩结构,将有利于提高售货亭结构的稳定性
(3)小明决定将底部支撑脚改成可升降结构,以适应不平整的地面。从调节方便和可靠支撑的角度考虑,以下方案中最合理的是___________

(4)小明准备用金属材料制作改进后的支撑脚。从强度和防锈角度考虑,下列材料中最适合的是___________
A. 纯铜B. 不锈钢C. 铸铁
【答案】(1)A(2)BD(3)A(4)B
14. 该售货亭侧面为透明玻璃窗(如图a),便于展示商品。小明打算为售货亭的玻璃窗设计一个如图b所示的电动雨刮器装置,利用电机驱动雨刮杆绕转轴做往复运动,实现清洁玻璃的功能。已知售货亭窗框下方有足够大的安装墙面。请帮助小明设计该装置的机械部分,设计要求如下:

①采用一个减速电机驱动,且要求电机只做单向转动;
②雨刮杆能实现往复摆动,平稳可靠,摆动幅度90°;
③电机安装在墙面上,位置自选,电机轴截面为正方形,边长5mm;
④装置与雨刮杆连接牢固可靠,雨刮杆允许进行钻孔等加工;
⑤材料自选。
请完成以下任务:
(1)设计该装置的机械部分时,可以不考虑的因素是___________
A. 电机转轴的尺寸B. 装置与雨刮杆的连接位置
C. 电机的工作电压D. 装置与雨刮杆的连接方式
(2)在头脑中构思符合设计要求的多个方案,画出其中最优方案的设计草图(电机可用方框表示),简要说明方案的工作过程;
(3)在草图上标注主要尺寸。
【答案】(1)C(2)草图参考方案:

传动:①通过驱动装置实现摆动;②电机单向转动实现往复摆动
连接:③与雨刮杆连接;④电机与窗框下方墙面连接
(3)尺寸:①连接部分尺寸:电机转轴5mm;②摆动幅度:90°
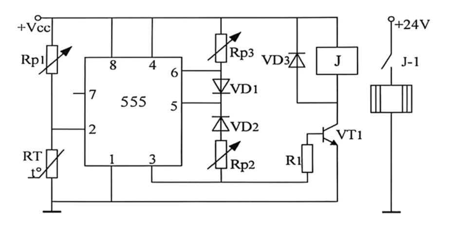
15. 如图a所示为小明设计的温度控制电路,温度低于20℃时继电器J吸合,开始加热;温度高于30℃时继电器J释放,停止加热,实现温度保持在20℃~30℃之间。请完成以下任务。

图a
(1)小明根据所设计的电路图搭建电路,其中RT应选用___________
A. 正温度系数热敏电阻B. 负温度系数热敏电阻
(2)搭建好电路后,小明希望将温度区间调整为15℃~30℃,可以___________
A. 只调节Rp2B. 先调节Rp3,再调节Rp2C. 先调节Rp2,再调节Rp3
(3)小明打算用继电器触点代替VD2实现温度区间控制,拆除VD2及Rp2之后重新搭建电路。以下搭建方案可行的是___________

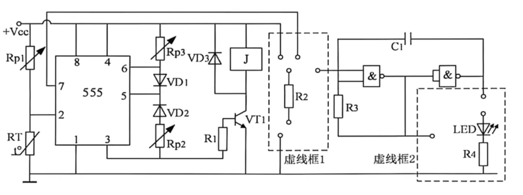
(4)为了增加电路的交互性,小明希望实现以下功能:加热时,LED闪烁;停止加热时,LED常亮。请在电路图b中完成虚线框1及虚线框2的电路连线。

图b
【答案】(1)A(2)B(3)AD
(4)


通用技术易考通系列资料:
《易考通选考宝典(新教材版)》是选考知识点为主,考前冲刺必备宝典。
《易考通草图设计(新教材版)》是草图案例为主,拓展思维。
《易考通草图刷题含解析(新教材版)》是草图练习题为主,图文详解。
《易考通三视图(新教材版)》是三视图选择题原理方法讲解和配套练习题为主,配答案和立体图。
《易考通基础刷题含解析(新教材版)》是按照通用技术选考试卷题型考点编写的必修一、必修二的练习题和详解,建议一轮使用。
《易考通电控刷题含解析(新教材版)》是按照通用技术选考试卷题型考点编写的选修电子控制技术的练习题和详解,建议一轮使用。
《易考通基础拉分练含解析(新教材版)》是按照通用技术选考试卷题型高频考点编写的必修一、必修二的练习题和详解,建议二轮使用。
《易考通电控拉分练含解析(新教材版)》是按照通用技术选考试卷题型高频考点编写的选修电子控制技术的练习题和详解,建议二轮使用。
《易考通真题精练(新教材版)》是按照通用技术选考真题编写的考点式刷题资料,每题配详解,建议考前使用。
一轮刷题资料:
《易考通基础刷题(新教材版)含解析》、《易考通草图刷题(新教材版)含解析》和《三视图(新教材版)》
二轮刷题资料:
《易考通电控拉分练(新教材版)含解析》和《易考通基础拉分练含解析》

