当前位置:首页>考研真题>2026学年人教版八下数学第一次月考试卷(含答案),难度不大,抓紧练!

2026学年人教版八下数学第一次月考试卷(含答案),难度不大,抓紧练!

  • 2026-03-19 15:29:38
2026学年人教版八下数学第一次月考试卷(含答案),难度不大,抓紧练!

今天,王老师整理了2026学年人教版八下数学第一次月考试卷(含答案),难度不大,抓紧练!

2

0

2

6

2026学年人教版八下数学第一次月考试卷

考试时间:120分钟;试卷满分:150分

学校:         班级:             姓名:       

一、选择题(每小题4分,共40分)

1.若一直角三角形两边的长为12和5,则第三边的长为(  )

A.13       B.13或     C.13或15     D.15

2.下列各组线段中,能构成直角三角形的是(  )

A.2,3,4     B.3,4,6     C.5,12,13     D.4,6,7

3.如果一个直角三角形的两条直角边分别为n2-1、2n(n>1),那么它的斜边长是(  )

A.2n      B.n+1     C.n2-1     D.n2+1

4.以下列各组数为边的三角形中,是直角三角形的有(  )

(1)3,4,5;(2),,;(3)32,42,52;(4)0.03,0.04,0.05.

A.1个    B.2个    C.3个    D.4个

5.如果梯子的底端离建筑物5米,13米长的梯子可以达到建筑物的高度是(  )

A.12米     B.13米     C.14米     D.15米

6.放学以后,萍萍和晓晓从学校分手,分别沿东南方向和西南方向回家,若萍萍和晓晓行走的速度都是40米/分,萍萍用15分钟到家,晓晓用20分钟到家,萍萍家和晓晓家的距离为(  )

A.600米    B.800米    C.1000米    D.不能确定

7.已知等腰梯形ABCD的中位线EF的长为6,腰AD的长为5,则等腰梯形的周长为( ).

A.11     B.16     C.17      D.22

8.顺次连结菱形各边中点所围成的四边形是(  ).

A.一般的平行四边形     B.矩形    C.菱形     D.等腰梯形

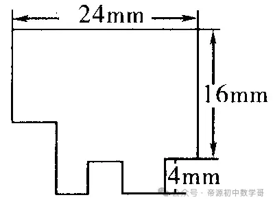
9.如图、是一块电脑主板的示意图,每一转角处都是直角,数据如图所示,则该主板的周长是(  ).

A.88mm     B.96mm     C.80mm      D.84mm

10.如图,正方形ABCD的边长为8,M在DC上,且DM=2,N是AC上一动点,则DN+MN的最小值为(  ).

A.8      B.8      C.2      D.10

二、填空题(每小题4分,共32分)

11.a、b、c是直角三角形的三边,且c边最大,则c2=______.

12.△ABC中,∠C=90°,c=10,a:b=3:4,则a=______,b=_______.

13.等腰三角形的腰长为5,底边长为8,则它底边上的高为_____,面积为____.

14.如果直角三角形的斜边与一直角边的长分别是13cm和5cm,那么这个直角三角形的面积是__________cm2.

15.如图,矩形纸片ABCD中,AB=6cm,AD=9cm,再按以下步骤折叠:①将∠BAD对折,使AB落在AD上,得折痕AF(如图2);②将△AFB沿BF折叠,AF与CD交于点G(如图3),则CG的长等于_______cm.

16.过边长为1的正方形的中心O引两条互相垂直的射线,分别与正方形的边交于A、B两点,则线段AB长的取值范围是_______.

17.已知菱形ABCD的边长为6,∠A=60°,如果点P是菱形内一点,且PB=PD=2,那么AP的长为_______.

18.如图,在等腰梯形ABCD中,AD∥BC,AC与BD相交于点O.下面结论正确的是_______..

A.AC=BD   B.∠DAO=∠DBC  C.S△BOC=S梯形ABCD   D.△AOB≌△DOC

三、解答题(共78分)

19.(10分)已知一个矩形的两邻边之比为3:4,且周长为42cm,求矩形的对角线长.20.(8分)求图中字母所代表的正方形面积.

21.(10分)如图所示,四边形ABCD中,AB=4,BC=3,AD=13,CD=12,∠B=90°,求该四边形的面积.

22.(12分)如图,以△ABC的各边向同侧作正△ABD,BCF,ACE.

(1)求证:四边形AEFD是平行四边形;

(2)当△ABC是______三角形时,四边形AEFD是菱形;

(3)当∠BAC=_____时,四边形AEFD是矩形;

(4)当∠BAC=_______时,以A、E、F、D为顶点的四边形不存在。

23.(10分)矩形,菱形由于其特殊的性质,为拼图提供了方便,因而墙面瓷砖一般设计为矩形,图案也以菱形居多.如图,是一种长30cm,宽20cm的矩形瓷砖,E、F、G、H分别是矩形各边的中点,阴影部分为淡黄色,中间部分为白色,现有一面长4.2m,宽2.8m的墙壁准备贴瓷砖. 问:(1)这面墙壁最少要贴这种瓷砖多少块?

(2)全部贴满瓷砖后,这面墙壁最多会出现多少个面积相等的菱形?其中淡黄色的菱形有多少个?

24.(13分)清朝康熙皇帝是我国历史上对数学很有兴趣的帝王.近日,西安发现了他的数学专著,其中有一文《积求勾股法》,它对“三边长为3、4、5的整数倍的直角三角形,已知面积求边长”这一问题提出了解法:“若所设者为积数(面积),以积率六除之,平方开之得数,再以勾股弦各率乘之,即得勾股弦之数”.用现在的数学语言表述是:“若直角三角形的三边长分别为3、4、5的整数倍,设其面积为S,

则第一步:=m;第二步:=k;第三步:分别用3、4、5乘以k,得三边长”.

(1)当面积S等于150时,请用康熙的“积求勾股法”求出这个直角三角形的三边长;

(2)你能证明“积求勾股法”的正确性吗?请写出证明过程.

25.(12分)台风是一种自然灾害,它以台风中心为圆心在周围数十千米范围内形成气旋风暴,有极强的破坏力,据气象观测,距沿海某城市A的正南方向220km的B处有一台风中心.其中心最大风力为12级,每离台风中心20km,风力就会减弱一级,该台风中心现在正以15km/h的速度沿北偏东30°方向往C移动,且台风中心风力不变,如图14-10,若城市所受风力达到或超过4级,则称为受台风影响.

(1)该城市是否会受到这次台风的影响?请说明理由;

(2)若会受台风影响,那么台风影响该城市的持续时间有多长?该城市受到台风影响的最大风力为几级?

参考答案

1.B 2.C3.D  4.B  5.A6.C  7.D  8.B  9.B  10.D 11.a2+b212.6  8  

13.3  12  14.30  点拨:另一直角边为12cm.

15.3  16.≥AB≥1  17.2或4  18.A、B、D  19.15cm 20.A=81;B=64;C=100.

21.解:在Rt△ABC中,AB=4,BC=3,则有AC==5,

∴S△ABC=AB·BC=×4×3=6.

在△ACD中,AC=5,AD=13,CD=12.

∵AC2+CD2=52+122=169,AD2=132=169,

∴AC2+CD2=AD2,∴△ACD为直角三角形,

∴S△ACD=AC·CD=×5×12=30,

∴S四边形ABCD= S△ABC + S△ACD =6+30=36.

22.(1)略  (2)等腰  (3)150°  (4)60°

23.(1)420÷30=14,280÷20=14. 14×14=196(块)

   (2)先计算淡黄色的菱形个数,由于矩形的四角四个全等的直角三角形可以拼成一个菱形,依题意可知可拼成13×13=169(块)(除去墙壁四角和边上的直角三角形)则墙壁上面积相等的菱形,共有169+196=365(块)

24.(1)解:当S=150时,k===5,

所以三边长分别为:3×5=15,4×5=20,5×5=25;

(2)证明:三边为3、4、5的整数倍,

设为k倍,则三边为3k,4k,5k,

而三角形为直角三角形且3k、4k为直角边.

其面积S=(3k)·(4k)=6k2,

所以k2=,k=(取正值),

即将面积除以6,然后开方,即可得到倍数.

25.解:(1)如图,过点A作AD⊥BC于D,

则AD是该城市离台风中心最短的距离,

在Rt△ABD中,∠B=30°,AB=220千米,

∴AD=110千米,故城市A受到此次台风影响.

(2)在BC上取E、F两点,使AE=AF=160,

当台风中心从E处移到F处时,该城市都会受到台风的影响.

在Rt△ADE中,DE=≈116.19千米,

∴EF≈232.38(千米),故这次台风影响该城市的连续时间约为≈15.49(小时).

当台风中心位于D处时,A市所受这次台风的风力最大,其最大风力为12-=6.5级.

初中生配套学习教辅

如何领取这个电子版资料

最新文章

随机文章

基本 文件 流程 错误 SQL 调试
  1. 请求信息 : 2026-03-19 19:32:59 HTTP/2.0 GET : https://www.sjds.net/a/465290.html
  2. 运行时间 : 0.091667s [ 吞吐率:10.91req/s ] 内存消耗:4,524.61kb 文件加载:140
  3. 缓存信息 : 0 reads,0 writes
  4. 会话信息 : SESSION_ID=db71ef32b59b1c4286b8164326784bc4
  1. /yingpanguazai/ssd/ssd1/www/www.sjds.net/public/index.php ( 0.79 KB )
  2. /yingpanguazai/ssd/ssd1/www/www.sjds.net/vendor/autoload.php ( 0.17 KB )
  3. /yingpanguazai/ssd/ssd1/www/www.sjds.net/vendor/composer/autoload_real.php ( 2.49 KB )
  4. /yingpanguazai/ssd/ssd1/www/www.sjds.net/vendor/composer/platform_check.php ( 0.90 KB )
  5. /yingpanguazai/ssd/ssd1/www/www.sjds.net/vendor/composer/ClassLoader.php ( 14.03 KB )
  6. /yingpanguazai/ssd/ssd1/www/www.sjds.net/vendor/composer/autoload_static.php ( 4.90 KB )
  7. /yingpanguazai/ssd/ssd1/www/www.sjds.net/vendor/topthink/think-helper/src/helper.php ( 8.34 KB )
  8. /yingpanguazai/ssd/ssd1/www/www.sjds.net/vendor/topthink/think-validate/src/helper.php ( 2.19 KB )
  9. /yingpanguazai/ssd/ssd1/www/www.sjds.net/vendor/topthink/think-orm/src/helper.php ( 1.47 KB )
  10. /yingpanguazai/ssd/ssd1/www/www.sjds.net/vendor/topthink/think-orm/stubs/load_stubs.php ( 0.16 KB )
  11. /yingpanguazai/ssd/ssd1/www/www.sjds.net/vendor/topthink/framework/src/think/Exception.php ( 1.69 KB )
  12. /yingpanguazai/ssd/ssd1/www/www.sjds.net/vendor/topthink/think-container/src/Facade.php ( 2.71 KB )
  13. /yingpanguazai/ssd/ssd1/www/www.sjds.net/vendor/symfony/deprecation-contracts/function.php ( 0.99 KB )
  14. /yingpanguazai/ssd/ssd1/www/www.sjds.net/vendor/symfony/polyfill-mbstring/bootstrap.php ( 8.26 KB )
  15. /yingpanguazai/ssd/ssd1/www/www.sjds.net/vendor/symfony/polyfill-mbstring/bootstrap80.php ( 9.78 KB )
  16. /yingpanguazai/ssd/ssd1/www/www.sjds.net/vendor/symfony/var-dumper/Resources/functions/dump.php ( 1.49 KB )
  17. /yingpanguazai/ssd/ssd1/www/www.sjds.net/vendor/topthink/think-dumper/src/helper.php ( 0.18 KB )
  18. /yingpanguazai/ssd/ssd1/www/www.sjds.net/vendor/symfony/var-dumper/VarDumper.php ( 4.30 KB )
  19. /yingpanguazai/ssd/ssd1/www/www.sjds.net/vendor/topthink/framework/src/think/App.php ( 15.30 KB )
  20. /yingpanguazai/ssd/ssd1/www/www.sjds.net/vendor/topthink/think-container/src/Container.php ( 15.76 KB )
  21. /yingpanguazai/ssd/ssd1/www/www.sjds.net/vendor/psr/container/src/ContainerInterface.php ( 1.02 KB )
  22. /yingpanguazai/ssd/ssd1/www/www.sjds.net/app/provider.php ( 0.19 KB )
  23. /yingpanguazai/ssd/ssd1/www/www.sjds.net/vendor/topthink/framework/src/think/Http.php ( 6.04 KB )
  24. /yingpanguazai/ssd/ssd1/www/www.sjds.net/vendor/topthink/think-helper/src/helper/Str.php ( 7.29 KB )
  25. /yingpanguazai/ssd/ssd1/www/www.sjds.net/vendor/topthink/framework/src/think/Env.php ( 4.68 KB )
  26. /yingpanguazai/ssd/ssd1/www/www.sjds.net/app/common.php ( 0.03 KB )
  27. /yingpanguazai/ssd/ssd1/www/www.sjds.net/vendor/topthink/framework/src/helper.php ( 18.78 KB )
  28. /yingpanguazai/ssd/ssd1/www/www.sjds.net/vendor/topthink/framework/src/think/Config.php ( 5.54 KB )
  29. /yingpanguazai/ssd/ssd1/www/www.sjds.net/config/app.php ( 0.95 KB )
  30. /yingpanguazai/ssd/ssd1/www/www.sjds.net/config/cache.php ( 0.78 KB )
  31. /yingpanguazai/ssd/ssd1/www/www.sjds.net/config/console.php ( 0.23 KB )
  32. /yingpanguazai/ssd/ssd1/www/www.sjds.net/config/cookie.php ( 0.56 KB )
  33. /yingpanguazai/ssd/ssd1/www/www.sjds.net/config/database.php ( 2.48 KB )
  34. /yingpanguazai/ssd/ssd1/www/www.sjds.net/vendor/topthink/framework/src/think/facade/Env.php ( 1.67 KB )
  35. /yingpanguazai/ssd/ssd1/www/www.sjds.net/config/filesystem.php ( 0.61 KB )
  36. /yingpanguazai/ssd/ssd1/www/www.sjds.net/config/lang.php ( 0.91 KB )
  37. /yingpanguazai/ssd/ssd1/www/www.sjds.net/config/log.php ( 1.35 KB )
  38. /yingpanguazai/ssd/ssd1/www/www.sjds.net/config/middleware.php ( 0.19 KB )
  39. /yingpanguazai/ssd/ssd1/www/www.sjds.net/config/route.php ( 1.89 KB )
  40. /yingpanguazai/ssd/ssd1/www/www.sjds.net/config/session.php ( 0.57 KB )
  41. /yingpanguazai/ssd/ssd1/www/www.sjds.net/config/trace.php ( 0.34 KB )
  42. /yingpanguazai/ssd/ssd1/www/www.sjds.net/config/view.php ( 0.82 KB )
  43. /yingpanguazai/ssd/ssd1/www/www.sjds.net/app/event.php ( 0.25 KB )
  44. /yingpanguazai/ssd/ssd1/www/www.sjds.net/vendor/topthink/framework/src/think/Event.php ( 7.67 KB )
  45. /yingpanguazai/ssd/ssd1/www/www.sjds.net/app/service.php ( 0.13 KB )
  46. /yingpanguazai/ssd/ssd1/www/www.sjds.net/app/AppService.php ( 0.26 KB )
  47. /yingpanguazai/ssd/ssd1/www/www.sjds.net/vendor/topthink/framework/src/think/Service.php ( 1.64 KB )
  48. /yingpanguazai/ssd/ssd1/www/www.sjds.net/vendor/topthink/framework/src/think/Lang.php ( 7.35 KB )
  49. /yingpanguazai/ssd/ssd1/www/www.sjds.net/vendor/topthink/framework/src/lang/zh-cn.php ( 13.70 KB )
  50. /yingpanguazai/ssd/ssd1/www/www.sjds.net/vendor/topthink/framework/src/think/initializer/Error.php ( 3.31 KB )
  51. /yingpanguazai/ssd/ssd1/www/www.sjds.net/vendor/topthink/framework/src/think/initializer/RegisterService.php ( 1.33 KB )
  52. /yingpanguazai/ssd/ssd1/www/www.sjds.net/vendor/services.php ( 0.14 KB )
  53. /yingpanguazai/ssd/ssd1/www/www.sjds.net/vendor/topthink/framework/src/think/service/PaginatorService.php ( 1.52 KB )
  54. /yingpanguazai/ssd/ssd1/www/www.sjds.net/vendor/topthink/framework/src/think/service/ValidateService.php ( 0.99 KB )
  55. /yingpanguazai/ssd/ssd1/www/www.sjds.net/vendor/topthink/framework/src/think/service/ModelService.php ( 2.04 KB )
  56. /yingpanguazai/ssd/ssd1/www/www.sjds.net/vendor/topthink/think-trace/src/Service.php ( 0.77 KB )
  57. /yingpanguazai/ssd/ssd1/www/www.sjds.net/vendor/topthink/framework/src/think/Middleware.php ( 6.72 KB )
  58. /yingpanguazai/ssd/ssd1/www/www.sjds.net/vendor/topthink/framework/src/think/initializer/BootService.php ( 0.77 KB )
  59. /yingpanguazai/ssd/ssd1/www/www.sjds.net/vendor/topthink/think-orm/src/Paginator.php ( 11.86 KB )
  60. /yingpanguazai/ssd/ssd1/www/www.sjds.net/vendor/topthink/think-validate/src/Validate.php ( 63.20 KB )
  61. /yingpanguazai/ssd/ssd1/www/www.sjds.net/vendor/topthink/think-orm/src/Model.php ( 23.55 KB )
  62. /yingpanguazai/ssd/ssd1/www/www.sjds.net/vendor/topthink/think-orm/src/model/concern/Attribute.php ( 21.05 KB )
  63. /yingpanguazai/ssd/ssd1/www/www.sjds.net/vendor/topthink/think-orm/src/model/concern/AutoWriteData.php ( 4.21 KB )
  64. /yingpanguazai/ssd/ssd1/www/www.sjds.net/vendor/topthink/think-orm/src/model/concern/Conversion.php ( 6.44 KB )
  65. /yingpanguazai/ssd/ssd1/www/www.sjds.net/vendor/topthink/think-orm/src/model/concern/DbConnect.php ( 5.16 KB )
  66. /yingpanguazai/ssd/ssd1/www/www.sjds.net/vendor/topthink/think-orm/src/model/concern/ModelEvent.php ( 2.33 KB )
  67. /yingpanguazai/ssd/ssd1/www/www.sjds.net/vendor/topthink/think-orm/src/model/concern/RelationShip.php ( 28.29 KB )
  68. /yingpanguazai/ssd/ssd1/www/www.sjds.net/vendor/topthink/think-helper/src/contract/Arrayable.php ( 0.09 KB )
  69. /yingpanguazai/ssd/ssd1/www/www.sjds.net/vendor/topthink/think-helper/src/contract/Jsonable.php ( 0.13 KB )
  70. /yingpanguazai/ssd/ssd1/www/www.sjds.net/vendor/topthink/think-orm/src/model/contract/Modelable.php ( 0.09 KB )
  71. /yingpanguazai/ssd/ssd1/www/www.sjds.net/vendor/topthink/framework/src/think/Db.php ( 2.88 KB )
  72. /yingpanguazai/ssd/ssd1/www/www.sjds.net/vendor/topthink/think-orm/src/DbManager.php ( 8.52 KB )
  73. /yingpanguazai/ssd/ssd1/www/www.sjds.net/vendor/topthink/framework/src/think/Log.php ( 6.28 KB )
  74. /yingpanguazai/ssd/ssd1/www/www.sjds.net/vendor/topthink/framework/src/think/Manager.php ( 3.92 KB )
  75. /yingpanguazai/ssd/ssd1/www/www.sjds.net/vendor/psr/log/src/LoggerTrait.php ( 2.69 KB )
  76. /yingpanguazai/ssd/ssd1/www/www.sjds.net/vendor/psr/log/src/LoggerInterface.php ( 2.71 KB )
  77. /yingpanguazai/ssd/ssd1/www/www.sjds.net/vendor/topthink/framework/src/think/Cache.php ( 4.92 KB )
  78. /yingpanguazai/ssd/ssd1/www/www.sjds.net/vendor/psr/simple-cache/src/CacheInterface.php ( 4.71 KB )
  79. /yingpanguazai/ssd/ssd1/www/www.sjds.net/vendor/topthink/think-helper/src/helper/Arr.php ( 16.63 KB )
  80. /yingpanguazai/ssd/ssd1/www/www.sjds.net/vendor/topthink/framework/src/think/cache/driver/File.php ( 7.84 KB )
  81. /yingpanguazai/ssd/ssd1/www/www.sjds.net/vendor/topthink/framework/src/think/cache/Driver.php ( 9.03 KB )
  82. /yingpanguazai/ssd/ssd1/www/www.sjds.net/vendor/topthink/framework/src/think/contract/CacheHandlerInterface.php ( 1.99 KB )
  83. /yingpanguazai/ssd/ssd1/www/www.sjds.net/app/Request.php ( 0.09 KB )
  84. /yingpanguazai/ssd/ssd1/www/www.sjds.net/vendor/topthink/framework/src/think/Request.php ( 55.78 KB )
  85. /yingpanguazai/ssd/ssd1/www/www.sjds.net/app/middleware.php ( 0.25 KB )
  86. /yingpanguazai/ssd/ssd1/www/www.sjds.net/vendor/topthink/framework/src/think/Pipeline.php ( 2.61 KB )
  87. /yingpanguazai/ssd/ssd1/www/www.sjds.net/vendor/topthink/think-trace/src/TraceDebug.php ( 3.40 KB )
  88. /yingpanguazai/ssd/ssd1/www/www.sjds.net/vendor/topthink/framework/src/think/middleware/SessionInit.php ( 1.94 KB )
  89. /yingpanguazai/ssd/ssd1/www/www.sjds.net/vendor/topthink/framework/src/think/Session.php ( 1.80 KB )
  90. /yingpanguazai/ssd/ssd1/www/www.sjds.net/vendor/topthink/framework/src/think/session/driver/File.php ( 6.27 KB )
  91. /yingpanguazai/ssd/ssd1/www/www.sjds.net/vendor/topthink/framework/src/think/contract/SessionHandlerInterface.php ( 0.87 KB )
  92. /yingpanguazai/ssd/ssd1/www/www.sjds.net/vendor/topthink/framework/src/think/session/Store.php ( 7.12 KB )
  93. /yingpanguazai/ssd/ssd1/www/www.sjds.net/vendor/topthink/framework/src/think/Route.php ( 23.73 KB )
  94. /yingpanguazai/ssd/ssd1/www/www.sjds.net/vendor/topthink/framework/src/think/route/RuleName.php ( 5.75 KB )
  95. /yingpanguazai/ssd/ssd1/www/www.sjds.net/vendor/topthink/framework/src/think/route/Domain.php ( 2.53 KB )
  96. /yingpanguazai/ssd/ssd1/www/www.sjds.net/vendor/topthink/framework/src/think/route/RuleGroup.php ( 22.43 KB )
  97. /yingpanguazai/ssd/ssd1/www/www.sjds.net/vendor/topthink/framework/src/think/route/Rule.php ( 26.95 KB )
  98. /yingpanguazai/ssd/ssd1/www/www.sjds.net/vendor/topthink/framework/src/think/route/RuleItem.php ( 9.78 KB )
  99. /yingpanguazai/ssd/ssd1/www/www.sjds.net/route/app.php ( 1.72 KB )
  100. /yingpanguazai/ssd/ssd1/www/www.sjds.net/vendor/topthink/framework/src/think/facade/Route.php ( 4.70 KB )
  101. /yingpanguazai/ssd/ssd1/www/www.sjds.net/vendor/topthink/framework/src/think/route/dispatch/Controller.php ( 4.74 KB )
  102. /yingpanguazai/ssd/ssd1/www/www.sjds.net/vendor/topthink/framework/src/think/route/Dispatch.php ( 10.44 KB )
  103. /yingpanguazai/ssd/ssd1/www/www.sjds.net/app/controller/Index.php ( 4.81 KB )
  104. /yingpanguazai/ssd/ssd1/www/www.sjds.net/app/BaseController.php ( 2.05 KB )
  105. /yingpanguazai/ssd/ssd1/www/www.sjds.net/vendor/topthink/think-orm/src/facade/Db.php ( 0.93 KB )
  106. /yingpanguazai/ssd/ssd1/www/www.sjds.net/vendor/topthink/think-orm/src/db/connector/Mysql.php ( 5.44 KB )
  107. /yingpanguazai/ssd/ssd1/www/www.sjds.net/vendor/topthink/think-orm/src/db/PDOConnection.php ( 52.47 KB )
  108. /yingpanguazai/ssd/ssd1/www/www.sjds.net/vendor/topthink/think-orm/src/db/Connection.php ( 8.39 KB )
  109. /yingpanguazai/ssd/ssd1/www/www.sjds.net/vendor/topthink/think-orm/src/db/ConnectionInterface.php ( 4.57 KB )
  110. /yingpanguazai/ssd/ssd1/www/www.sjds.net/vendor/topthink/think-orm/src/db/builder/Mysql.php ( 16.58 KB )
  111. /yingpanguazai/ssd/ssd1/www/www.sjds.net/vendor/topthink/think-orm/src/db/Builder.php ( 24.06 KB )
  112. /yingpanguazai/ssd/ssd1/www/www.sjds.net/vendor/topthink/think-orm/src/db/BaseBuilder.php ( 27.50 KB )
  113. /yingpanguazai/ssd/ssd1/www/www.sjds.net/vendor/topthink/think-orm/src/db/Query.php ( 15.71 KB )
  114. /yingpanguazai/ssd/ssd1/www/www.sjds.net/vendor/topthink/think-orm/src/db/BaseQuery.php ( 45.13 KB )
  115. /yingpanguazai/ssd/ssd1/www/www.sjds.net/vendor/topthink/think-orm/src/db/concern/TimeFieldQuery.php ( 7.43 KB )
  116. /yingpanguazai/ssd/ssd1/www/www.sjds.net/vendor/topthink/think-orm/src/db/concern/AggregateQuery.php ( 3.26 KB )
  117. /yingpanguazai/ssd/ssd1/www/www.sjds.net/vendor/topthink/think-orm/src/db/concern/ModelRelationQuery.php ( 20.07 KB )
  118. /yingpanguazai/ssd/ssd1/www/www.sjds.net/vendor/topthink/think-orm/src/db/concern/ParamsBind.php ( 3.66 KB )
  119. /yingpanguazai/ssd/ssd1/www/www.sjds.net/vendor/topthink/think-orm/src/db/concern/ResultOperation.php ( 7.01 KB )
  120. /yingpanguazai/ssd/ssd1/www/www.sjds.net/vendor/topthink/think-orm/src/db/concern/WhereQuery.php ( 19.37 KB )
  121. /yingpanguazai/ssd/ssd1/www/www.sjds.net/vendor/topthink/think-orm/src/db/concern/JoinAndViewQuery.php ( 7.11 KB )
  122. /yingpanguazai/ssd/ssd1/www/www.sjds.net/vendor/topthink/think-orm/src/db/concern/TableFieldInfo.php ( 2.63 KB )
  123. /yingpanguazai/ssd/ssd1/www/www.sjds.net/vendor/topthink/think-orm/src/db/concern/Transaction.php ( 2.77 KB )
  124. /yingpanguazai/ssd/ssd1/www/www.sjds.net/vendor/topthink/framework/src/think/log/driver/File.php ( 5.96 KB )
  125. /yingpanguazai/ssd/ssd1/www/www.sjds.net/vendor/topthink/framework/src/think/contract/LogHandlerInterface.php ( 0.86 KB )
  126. /yingpanguazai/ssd/ssd1/www/www.sjds.net/vendor/topthink/framework/src/think/log/Channel.php ( 3.89 KB )
  127. /yingpanguazai/ssd/ssd1/www/www.sjds.net/vendor/topthink/framework/src/think/event/LogRecord.php ( 1.02 KB )
  128. /yingpanguazai/ssd/ssd1/www/www.sjds.net/vendor/topthink/think-helper/src/Collection.php ( 16.47 KB )
  129. /yingpanguazai/ssd/ssd1/www/www.sjds.net/vendor/topthink/framework/src/think/facade/View.php ( 1.70 KB )
  130. /yingpanguazai/ssd/ssd1/www/www.sjds.net/vendor/topthink/framework/src/think/View.php ( 4.39 KB )
  131. /yingpanguazai/ssd/ssd1/www/www.sjds.net/vendor/topthink/framework/src/think/Response.php ( 8.81 KB )
  132. /yingpanguazai/ssd/ssd1/www/www.sjds.net/vendor/topthink/framework/src/think/response/View.php ( 3.29 KB )
  133. /yingpanguazai/ssd/ssd1/www/www.sjds.net/vendor/topthink/framework/src/think/Cookie.php ( 6.06 KB )
  134. /yingpanguazai/ssd/ssd1/www/www.sjds.net/vendor/topthink/think-view/src/Think.php ( 8.38 KB )
  135. /yingpanguazai/ssd/ssd1/www/www.sjds.net/vendor/topthink/framework/src/think/contract/TemplateHandlerInterface.php ( 1.60 KB )
  136. /yingpanguazai/ssd/ssd1/www/www.sjds.net/vendor/topthink/think-template/src/Template.php ( 46.61 KB )
  137. /yingpanguazai/ssd/ssd1/www/www.sjds.net/vendor/topthink/think-template/src/template/driver/File.php ( 2.41 KB )
  138. /yingpanguazai/ssd/ssd1/www/www.sjds.net/vendor/topthink/think-template/src/template/contract/DriverInterface.php ( 0.86 KB )
  139. /yingpanguazai/ssd/ssd1/www/www.sjds.net/runtime/temp/5febe16c9207553ef9b4c4406f7af920.php ( 12.06 KB )
  140. /yingpanguazai/ssd/ssd1/www/www.sjds.net/vendor/topthink/think-trace/src/Html.php ( 4.42 KB )
  1. CONNECT:[ UseTime:0.000499s ] mysql:host=127.0.0.1;port=3306;dbname=www_sjds;charset=utf8mb4
  2. SHOW FULL COLUMNS FROM `fenlei` [ RunTime:0.000763s ]
  3. SELECT * FROM `fenlei` WHERE `fid` = 0 [ RunTime:0.000297s ]
  4. SELECT * FROM `fenlei` WHERE `fid` = 63 [ RunTime:0.000273s ]
  5. SHOW FULL COLUMNS FROM `set` [ RunTime:0.000471s ]
  6. SELECT * FROM `set` [ RunTime:0.000192s ]
  7. SHOW FULL COLUMNS FROM `article` [ RunTime:0.000644s ]
  8. SELECT * FROM `article` WHERE `id` = 465290 LIMIT 1 [ RunTime:0.000430s ]
  9. UPDATE `article` SET `lasttime` = 1773919979 WHERE `id` = 465290 [ RunTime:0.009520s ]
  10. SELECT * FROM `fenlei` WHERE `id` = 65 LIMIT 1 [ RunTime:0.000235s ]
  11. SELECT * FROM `article` WHERE `id` < 465290 ORDER BY `id` DESC LIMIT 1 [ RunTime:0.000426s ]
  12. SELECT * FROM `article` WHERE `id` > 465290 ORDER BY `id` ASC LIMIT 1 [ RunTime:0.001757s ]
  13. SELECT * FROM `article` WHERE `id` < 465290 ORDER BY `id` DESC LIMIT 10 [ RunTime:0.001464s ]
  14. SELECT * FROM `article` WHERE `id` < 465290 ORDER BY `id` DESC LIMIT 10,10 [ RunTime:0.000870s ]
  15. SELECT * FROM `article` WHERE `id` < 465290 ORDER BY `id` DESC LIMIT 20,10 [ RunTime:0.006607s ]
0.093260s