


第二部分通用技术(共50分)
一、选择题(本大题共12小题,每小题2分,共24分。每小题列出的四个备选项中只有一个是符合题目要求的,不选、多选、错选均不得分)
1. 2025年世界首台壁虎机器人在浙江某核电站应用,实现了传热管检测的全覆盖。下列关于该壁虎机器人的分析,不恰当的是()
A. 采用高效运动规划、视觉定位等技术,体现了技术的综合性
B. 实现爬行与检测同步,缩短了检测时间,体现了技术的创新性
C. 传热管检测机器人的诞生,展现了科技创新与工程实践的深度融合
D. 能和壁虎一样四足并联行走,采用的构思方法是联想法关节
【答案】D
2. 对如图所示的多功能便携梯的分析与评价中,恰当的是()

A. 收缩时铰链不易夹手,实现了人机关系的健康目标铰链
B. 采用拱形支撑结构,提高了梯子的稳定性拱形结构
C. 脚垫采用耐磨防滑垫,主要是从“物”的角度考虑
D. 一拉即可解锁左右关节,实现了人机关系的舒适目标
【答案】B
3. 如图所示是一款车窗玻璃电动升降装置,电机带动齿轮驱动扇形板齿转动,通过板齿长臂上销轴在玻璃托架槽口内左右滑动,实现玻璃沿导轨升降。为了使玻璃平稳、灵活升降,小明提出了四种改进方案,其中最优方案是()


【答案】D
4. 下列三视图中,左视图不符合投影关系的是()

【答案】A
在通用技术实践室,小明用长80mm、宽25mm、厚12mm的铜材加工如图所示的压板。请完成下面小题。

5. 下列操作中合理的是()
A. 划线时,需要考虑锉削余量
B. 孔口倒角可用加工U型槽的麻花钻加工完成
C. M8螺纹孔可采用圆板牙扳手完成攻丝
D. 钻孔时,戴上手套和防护眼镜,操作时要集中注意力
【答案】B
6. 下列加工流程中,其中最合理的是()
A. 划线→钻孔→攻丝→锯割→锉削
B. 划线→锯割→钻孔→锉削→攻丝
C. 划线→锯割→锉削→划线→钻孔→锯割→锉削→攻丝
D. 划线→钻孔→锯割→锉削→攻丝
【答案】C
7. 如图所示的气动压紧装置,在气动杆的作用下能可靠地将工件夹紧。在图示工件夹紧状态下,下列关于机械手各部件分析正确的是()

A. 气动杆受压,杆2受压,机械臂受弯曲
B. 气动杆受拉,杆2受拉,机械臂受弯曲
C. 杆1受压,摆杆1受弯曲,销轴受弯曲
D. 杆1受拉,摆杆1受弯曲,销轴受剪切
【答案】A
如图所示是胰岛素自动注射系统示意图,该系统由血糖检测、注射、显示子系统组成。血糖传感器每5分钟检测一次患者血糖值并传输至主控单元。当检测到血糖高于上限,主控单元根据患者体重、血糖超标值自动计算所需胰岛素剂量,驱动微型注射泵通过注射管路进行注射,显示屏显示血糖值、储药仓药量等信息。请完成下面小题。

8. 下列对胰岛素自动注射系统的分析,不恰当的是()
A. 需要定期向储药仓添加药品,体现了系统的动态性
B. 优化注射功能时,受到了血糖安全范围的约束
C. 利用数学建模的方式对主控单元进行设计,可提高胰岛素剂量的精确度
D. 控制器根据患者体重、血糖超标值自动计算所需胰岛素量,体现了系统分析的科学性原则
【答案】D
9. 下列关于注射子系统的说法,正确的是()
A. 被控量是患者体内的血糖值
B. 控制器是主控单元
C. 血糖传感器的检测过程属于反馈
D. 主控单元计算出的胰岛素剂量是控制量
【答案】B
10. 下列元器件中引脚数量与其他三个不同的是()

【答案】C
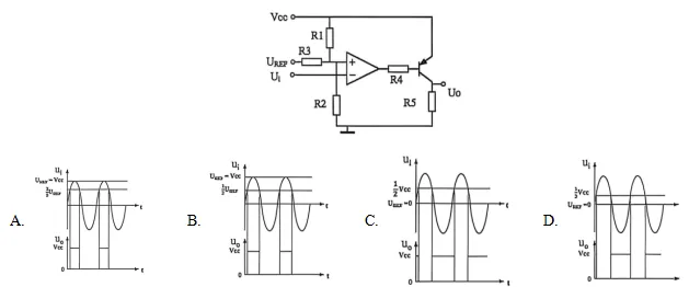
11. 如图所示的信号处理电路。Ui为输入信号,UREF为基准信号,UO为输出信号,电路中R1=R2=R3。下列信号波形关系中正确的是()
【答案】A
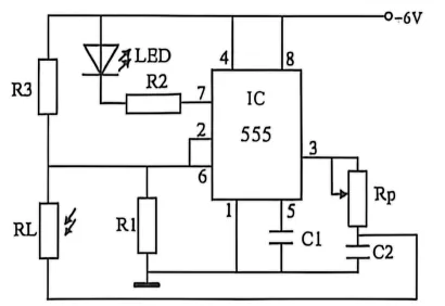
12. 如图所示为强光翻转电路,R1、R3阻值相同,无光照时光敏电阻RL阻值较大。当强光短暂照射RL时,LED状态翻转;强光移除后,LED保持当前状态。下列关于该电路的分析中,正确的是()

A. LED发光时,强光短暂照射RL,电容C2放电
B. LED始终发光,可能是RL短路
C. 适当增大C1,可增大LED发光时间
D. 适当增大R3的阻值,可缩短两次有效照射的最短时间间隔
【答案】B
二、非选择题(本大题共3小题,第28小题8分,第29小题10分,第30小题8分,共26分)
13. 小明设计了如图a所示的壁挂式可折叠换鞋凳,收起时卡扣2推动卡扣1转动,到位后卡扣1复位实现固定(如图b所示)。请完成以下任务:

(1)该折叠凳向上收起时能实现自动固定,需要通过虚线框内的卡扣2(与凳脚榫接)与墙上的卡扣1配合,小明设计了以下几种卡扣2的方案,其中最合理的是(单选)______;

(2)下列尺寸合适的连接件中,不适合用于连接固定条与凳面的有(多选)______;

(3)为提高换鞋凳的强度,小明提出了以下优化方案,其中不合理的是(单选)______;
A. 固定条与墙面连接的塑料膨胀螺丝改用金属膨胀螺丝
B. 改用轻量化材料制作凳面,以降低重心
C. 加粗折叠凳凳脚等构件
D. 凳脚与凳面之间增加快拆式支撑杆,构成三角形结构
(4)小明设计好初步方案后,设计了如下的安装流程,下面对该流程分析不恰当的是(单选)______。

A. 安装卡扣2和自攻螺钉连接属于并行环节
B. 连接好凳脚和凳面后才能确定卡扣1位置
C. 2个连接环节可以考虑合并为一个环节
D. 可以增加性能测试环节,以实现质量监测
【答案】(1)D(2)BC(3)B(4)C
14. 因小明家仓库折叠门较重,推拉比较麻烦,他计划设计一款能让折叠门自动打开和关闭的装置。折叠门滑动轨道已经安装在地面和顶上(如图b所示),折叠门推拉杆直径为30mm,请你帮助小明设计该装置。设计要求如下:

(a)装置能驱动折叠门推拉杆在轨道内来回移动;
(b)折叠门可在任意位置锁定;
(c)采用减速电机驱动,通过电机的正反转实现折叠门的来回移动;
(d)所需材料和配件自选。
请完成以下任务:
(1)小明对装置进行了以下设计分析,其中不恰当的是(单选)______;
A. 装置中可设计动连接,确保折叠门能沿着弧形轨道运动
B. 装置可安装在仓库顶部,以不影响人员的通行
C. 装置中的金属材料选择时需要考强度和防锈蚀
D. 仓库内配有市电插座,只能采用220V交流电机驱动
(2)画出最优方案的设计草图;
(3)在草图上标注主要尺寸。
【答案】(1)D(2)(3)运动尺寸1100,100;结构尺寸300;
15. 如图所示是一款水箱水位报警装置,当水位过高或者水位过低时均能通过指示灯报警。请完成下列各题。

(1)水位过低是指水位(单选)______(A.低于探针AB.低于探针B);
(2)图a虚线框1中的电路,小明设计了以下几种方案,其中不能实现功能的是(多选)______;

(3)小明在原电路的基础上增设了如下图所示的自动注水控制电路。连接点P、Q与图a中的连接点P、Q一致。低于低水位时,水泵M启动;水位上升到高水位时,水泵停止。请在虚线框2中完成连线,以实现电路的区间控制功能;

(4)小明发现原有的指示灯报警不够明显,设计了如下图所示的报警电路。连接点P与图a中的F为同一点。当水位过高或者过低时,Vo输出一定频率的信号,驱动电路使喇叭发出警报声,并且可以通过开关S实现不同报警声的切换。请在虚线框3与虚线框4内选择合适的端点完成连线,以实现上述功能。

【答案】(1)A(2)BD
(3)

(4)
或
或


通用技术易考通系列资料:
《易考通选考宝典(新教材版)》是选考知识点为主,考前冲刺必备宝典。
《易考通草图设计(新教材版)》是草图案例为主,拓展思维。
《易考通草图刷题含解析(新教材版)》是草图练习题为主,图文详解。
《易考通三视图(新教材版)》是三视图选择题原理方法讲解和配套练习题为主,配答案和立体图。
《易考通基础刷题含解析(新教材版)》是按照通用技术选考试卷题型考点编写的必修一、必修二的练习题和详解,建议一轮使用。
《易考通电控刷题含解析(新教材版)》是按照通用技术选考试卷题型考点编写的选修电子控制技术的练习题和详解,建议一轮使用。
《易考通基础拉分练含解析(新教材版)》是按照通用技术选考试卷题型高频考点编写的必修一、必修二的练习题和详解,建议二轮使用。
《易考通电控拉分练含解析(新教材版)》是按照通用技术选考试卷题型高频考点编写的选修电子控制技术的练习题和详解,建议二轮使用。
《易考通真题精练(新教材版)》是按照通用技术选考真题编写的考点式刷题资料,每题配详解,建议考前使用。
一轮刷题资料:
《易考通基础刷题(新教材版)含解析》、《易考通草图刷题(新教材版)含解析》和《三视图(新教材版)》
二轮刷题资料:
《易考通电控拉分练(新教材版)含解析》和《易考通基础拉分练含解析》

